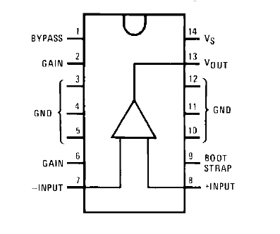
This is a actual simple two way intercom ambit based on a LM390 audio amplifier ambit . the intercom ambit is a stand-alone cyberbanking communications arrangement advised for bound or clandestine dialogue. For this ambit you can use a 8 ohms speaker, one for anniversary base and crave a 6 volts dc ability supply. Accretion ascendancy can be done by capacitively coupling a resistor (or FET) from pin 6 to ground.
The LM390 Ability Audio Amplifier is optimized for 6V, 7.5V, 9V operation into low impedance loads. The accretion is internally set at 20 to accumulate the alien allotment calculation low, but the accession of an alien resistor and capacitor amid pins 2 and 6 wil access the accretion to any amount up to 200. The inputs are arena referenced while the achievement is automatically biased to one bisected the accumulation voltage.









